電動軟密封蝶閥 D971F
- 產 地:上海
- 型 號:D971F
- 公稱壓力:0.6MPa~1.6MPa
- 公稱通徑:DN50~DN1600
- 適用介質:水、氣、污水、腐蝕性介質
- 適用溫度:≤150℃
一、產品概述
D971F 電動軟密封蝶閥由四氟密封蝶閥和不銹鋼閥板、閥桿構成,適用于溫度≤150℃,弱腐蝕或介質潔凈度有一定要求的工況下使用。高溫高壓工況可選用三偏心硬密封閥 ,訂貨時要予以注明即可。它可廣泛應用于食品,環保,輕工,石油,化工,教學設備,造紙,電力等到行業的工業過程自動控制系統中。電動蝶閥在食品、醫藥、化工、石油、電力、輕紡、造紙等給排水、氣體管道上作調節流量和截流的作用。
D971F 主要特點為:
1、設計新穎、合理、結構獨特,重量輕,啟閉迅速。
2、操力矩小,操作方便,省力靈巧。
3、可以任何位置安裝,維修方便。
4、密封件可以更換,密封性能可靠達到雙向密封零泄漏。
5、密封材料耐老化、耐腐蝕,使用壽命長等特點。
采用標準:
設計標準:GB/T2238-1989
法蘭連接尺寸: GB/T9113.1-2000; GB/T9115.1-2000;
結構長度: GB/T12221-1989
壓力試驗: GB/T13927-1992; JB/T9092-1999
二、主要零部件材料
|
零件名稱 |
閥體、蝶板 |
閥桿 |
密封圈 |
填料 |
|
材料 |
灰鑄鐵 |
中碳鋼 |
丁睛橡膠 |
柔性石墨 |
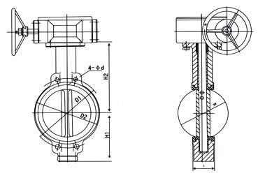
三、主要外形與連接尺寸
|
公稱
通徑
(DN)
|
主要尺寸 | 法蘭尺寸和螺栓規格 | |||||||
| 0.6MPa | 1.0MPa | 1.6MPa | |||||||
| L | H1 | H2 | D1 | n-φM | D1 | n-φM | D1 | n-φM | |
| 50 | 43 | 80 | 160 | 110 | 4-φ14 | 120 | 4-φ18 | 125 | 4-φ18 |
| 65 | 46 | 88 | 175 | 130 | 4-φ14 | 136 | 4-φ18 | 145 | 4-φ18 |
| 80 | 46 | 96 | 180 | 150 | 4-φ118 | 160 | 4-φ18 | 160 | 4-φ18 |
| 100 | 52 | 114 | 200 | 170 | 4-φ18 | 185 | 4-φ18 | 180 | 4-φ18 |
| 125 | 56 | 128 | 213 | 200 | 4-φ18 | 215 | 4-φ18 | 210 | 4-φ18 |
| 150 | 56 | 140 | 225 | 225 | 4-φ18 | 238 | 4-φ22 | 240 | 4-φ22 |
| 200 | 60 | 175 | 260 | 280 | 4-φ18 | 295 | 4-φ22 | 295 | 4-φ22 |
| 250 | 68 | 202 | 290 | 335 | 4-φ18 | 357 | 4-φ22 | 355 | 4-φ26 |
| 300 | 78 | 242 | 330 | 395 | 4-φ22 | 407 | 4-φ22 | 410 | 4-φ26 |
| 350 | 78 | 266 | 360 | 445 | 4-φ22 | 467 | 4-φ22 | 470 | 4-φ30 |
| 400 | 102 | 298 | 390 | 495 | 4-φ22 | 515 | 4-φ26 | 525 | 4-φ33 |
| 450 | 114 | 315 | 410 | 550 | 4-φ22 | 565 | 4-φ26 | 585 | 4-φ36 |
| 500 | 127 | 348 | 430 | 600 | 4-φ22 | 620 | 4-M24 | 650 | 4-M30 |
| 600 | 154 | 400 | 490 | 705 | 4-φ26 | 725 | 4-M27 | 770 | 4-M33 |
| 700 | 165 | 520 | 550 | 810 | 4-φ26 | 840 | 4-M27 | 840 | 4-M33 |
| 800 | 190 | 591 | 610 | 920 | 4-φ30 | 950 | 4-M30 | 950 | 4-M36 |
| 900 | 216 | 660 | 680 | 1020 | 4-M27 | 1050 | 4-M30 | 1050 | 4-M36 |
| 1000 | 254 | 670 | 835 | 1120 | 4-M27 | 1160 | 4-M33 | 1170 | 4-M39 |
| 1200 | 780 | 1340 | 4-M30 | 1380 | 4-M36 | 1390 | 4-M45 | ||
| 1400 | 1560 | 4-M33 | 1590 | 4-M39 | 1590 | 4-M45 | |||
| 1600 | 1760 | 4-M33 | 1820 | 4-M45 | 1820 | 4-M52 | |||





