對夾式氣動中線蝶閥 D671X
- 產 地:上海
- 型 號:D671X
- 公稱壓力:0.6MPa~1.6MPa
- 公稱通徑:DN50~DN1200
- 適用介質:水、油品、海水及各類有機溶劑
- 適用溫度:-20℃~80℃
一、產品概述
對夾式氣動中線蝶閥 D671X 采用了多種零件材質配對,可適用于淡水、污水、海水、蒸汽、天然氣、食品、醫藥、油品及各種酸堿介質的管道,適用溫度-20℃-80℃。上海飛球閥門有限公司生產的D671X 軟密封氣動對夾蝶閥的主要部件材質選用:閥體材質:鑄鐵、球鐵、不銹鋼;蝶板材質:球鐵、不銹鋼、耐蝕鋼、鈦鋼、銅合金;閥座:丁晴、乙丙、氯丁、海泊倫、聚四氟乙烯、天然橡膠等。
對夾式氣動蝶閥主要特點
1、結構簡單、緊湊,90°回轉開啟迅速;
2、小型輕便,容易拆裝和維修,并可在任意位置安裝;
3、操作扭矩小,開關輕巧省力;
4、流量特性趨于直線,調節性能好;
5、啟閉試驗次數可達萬次,使用壽命長;
6、密封性能好,氣體試驗泄漏量為零。
二、主要技術參數
|
型號
|
D671X-6
|
D671X-10
|
D671X-16Q
|
|
|
工作壓力(MPa)
|
0.6
|
1.0
|
1.6
|
|
|
適用溫度(℃)
|
-20~80
|
|||
|
適用介質
|
水、油品、海水及各類有機溶劑
|
|||
三、主要零部件材料
|
料
|
閥體
|
灰鑄鐵
|
球墨鑄鐵
|
|
|
閥板
|
灰鑄鐵
|
灰鑄鐵
|
||
|
閥桿
|
不銹鋼
|
不銹鋼
|
||
|
密封面
|
NBR、EPDM
|
氟橡膠
|
||
|
填料
|
V形組合密封圈、柔性石墨
|
|||
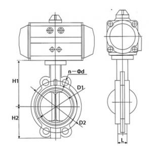
四、主要外形與連接尺寸
| DN | 主 要 外 形 尺 寸 | 主 要 連 接 尺 寸 | |||||||||
| 0.6MPa | 1.0MPa | 1.6MPa | |||||||||
| L | H | HO | A | B | DO | n-d | DO | n-d | DO | n-d | |
| 50 | 43 | 63 | 315 | 180 | 65 | 110 | 4-14 | 125 | 4-18 | 125 | 4-18 |
| 65 | 46 | 70 | 330 | 180 | 65 | 130 | 4-14 | 145 | 4-18 | 145 | 4-18 |
| 80 | 46 | 83 | 390 | 245 | 72 | 150 | 4-18 | 160 | 8-18 | 160 | 8-18 |
| 100 | 52 | 105 | 431 | 240 | 72 | 170 | 4-18 | 180 | 8-18 | 180 | 8-18 |
| 125 | 56 | 115 | 455 | 240 | 72 | 200 | 8-18 | 210 | 8-18 | 210 | 8-18 |
| 150 | 56 | 137 | 626 | 350 | 93 | 225 | 8-18 | 240 | 8-22 | 240 | 8-22 |
| 200 | 60 | 164 | 720 | 350 | 93 | 280 | 8-18 | 295 | 8-22 | 295 | 12-22 |
| 250 | 68 | 206 | 800 | 550 | 350 | 335 | 12-18 | 350 | 12-22 | 355 | 12-26 |
| 300 | 78 | 230 | 860 | 600 | 350 | 395 | 12-22 | 400 | 12-22 | 410 | 12-26 |
| 350 | 78 | 248 | 883 | 600 | 350 | 445 | 12-22 | 460 | 16-22 | 470 | 16-26 |
| 400 | 102 | 289 | 972 | 600 | 350 | 495 | 16-22 | 515 | 16-26 | 525 | 16-30 |
| 450 | 114 | 320 | 1043 | 750 | 380 | 550 | 16-22 | 565 | 20-26 | 585 | 20-30 |
| 500 | 127 | 343 | 1098 | 750 | 380 | 600 | 20-22 | 620 | 20-26 | 650 | 20-33 |
| 600 | 154 | 413 | 1236 | 750 | 380 | 705 | 20-26 | 725 | 20-30 | 770 | 20-36 |
| 700 | 165 | 478 | 1431 | 750 | 380 | 810 | 24-26 | 840 | 24-30 | 840 | 24-36 |
| 800 | 190 | 525 | 1488 | 750 | 380 | 920 | 24-30 | 950 | 24-33 | 950 | 24-39 |
| 900 | 203 | 620 | 1615 | 1250 | 380 | 1020 | 24-30 | 1050 | 28-33 | 1050 | 28-39 |
| 1000 | 216 | 725 | 1765 | 1500 | 580 | 1120 | 28-30 | 1160 | 28-36 | 1170 | 28-42 |
| 1200 | 254 | 780 | 1976 | 1500 | 580 | 1340 | 32-33 | 1380 | 32-39 | 1390 | 32-48 |





